研產銷為一體的綜合水處理環保設備廠家
全國服務熱線
15200035554
機械過濾器
石英砂過濾器選型
纖維球過濾器選型
多介質過濾器選型
活性炭過濾器選型
除鐵錳過濾器選型
河水凈化過濾設備
泳池循環水消毒殺菌設備
變頻供水設備選型
分集水器(分汽缸)
中央空調補水設備
毛發過濾器選型
全程綜合水處理器選型
電子水處理器選型
旋流除砂器選型
精密過濾器選型
自清洗過濾器選型
反沖洗快速除污器選型
軟化水設備選型
其它水處理設備
地址:河北省石家莊市和平東路313號
電話:15200035554
電話:0311-89176887
郵件:598307740@qq.com
網站:http://www.bzvad.cn
一、石英砂過濾器說明
63立方每小時處理量石英砂過濾器尺寸DN2600,機械過濾器也稱壓力過濾器,是純水制備前期預處理,水凈化系統的重要組成部分,其內裝若干規格精選石英砂等濾料,在一定壓力下,使原液通過濾料來截留去除雜質,從而達到過濾的目的。
石英砂過濾器材質有碳鋼襯膠或不銹鋼材質。過濾罐內部填充介質的不同則過濾器的稱呼也不同。如填充濾料為:石英砂、活性炭、錳砂,則稱為:石英砂過濾器、活性炭過濾器、錳砂過濾器,根據實際情況可聯合使用也可單獨使用。
利用這幾種過濾介質,在一定的壓力下把濁度較高的水通過一定厚度的濾料,從而有效的去除懸浮雜質使水澄清的設備,是以去除大顆粒懸浮物為目的的過濾裝置。常用的濾料有石英沙、無煙煤、活性炭,主要用于制取軟化水、純水、高純水的預過濾,是反滲透、電滲析、離子交換器等水處理系統的預處理不可缺少的過濾設備。
二、石英砂過濾器作用
1. 石英砂過濾器:去除原水中的泥沙、鐵銹、膠體物質、懸浮物等雜質。
2. 活性炭過濾器:吸附膠體、微生物、余氯等,同事具有脫色、除味功能。
3. 錳砂過濾器:去除地下水中的鐵元素。
三、石英砂過濾器應用領域:
機械過濾器廣泛應用于水處理過程中,主要用于水處理除濁、反滲透、以及離子交換軟化除鹽系統的前期預處理,也可用于地表水、地下水等方面。可有效地除去除水中的懸浮物、有機、膠體、泥沙等。
可廣泛應用于電子電力、石油化工、冶金電鍍、造紙紡織、制藥透析、食品飲料、生活飲用水、工廠企業用水、游泳池等,可滿足各行業液體過濾需要。
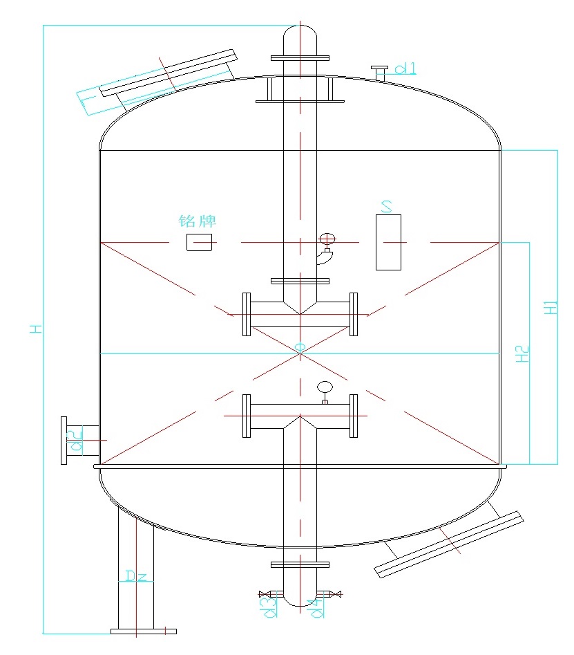
四、石英砂過濾器快速選型表
石家莊工泉水處理科技有限公司-石英砂過濾器選型表(技術熱線:15200035554) 公稱直徑mm Φ 600 800 1000 1200 1400 1600 1800 2000 2200 2400 2600 2800 3000 3200 外形尺寸mm H1 1500 1500 1500 1800 1800 1800 1800 1800 1800 2000 2000 2000 2000 2000 H2 1000 1000 1000 1200 1200 1200 1200 1200 1200 1200 1200 1200 1200 1200 H 2500 2770 2950 3200 3200 3350 3350 3500 3800 3800 4200 4500 5200 5400 進出口DN 65 65 80 80 100 100 125 125 150 150 200 200 200 250 反洗進出口DN 80 80 80 100 125 125 125 150 250 250 250 250 250 250 DNr 350 450 450 450 450 500 500 500 500 500 500 500 500 500 d 1 40 40 40 40 40 40 40 40 40 40 40 40 40 40 d 2 100 125 125 150 150 150 150 200 200 200 200 200 200 200 d 3,4 25 25 25 25 25 32 32 40 40 40 50 50 50 50 流速m/h 10 10 10 12 12 12 12 12 12 12 12 12 12 12 流量t/h 3 5 8 13 18 24 30 37 45 55 63 73 85 100 板厚(mm) 6 6 6 6 6 6 8 8 8 10 10 10 12 12
石家莊工泉水處理科技有限公司-石英砂過濾器選型表(技術熱線:15200035554)
公稱直徑mm
Φ
600
800
1000
1200
1400
1600
1800
2000
2200
2400
2600
2800
3000
3200
外形尺寸mm
H1
1500
H2
H
2500
2770
2950
3350
3500
3800
4200
4500
5200
5400
進出口DN
65
80
100
125
150
200
250
反洗進出口DN
DNr
350
450
500
d 1
40
d 2
d 3,4
25
32
50
流速m/h
10
12
流量t/h
3
5
8
13
18
24
30
37
45
55
63
73
85
板厚(mm)
6
五、工泉公司采用純白精致石英砂
六、石英砂過濾器解剖圖
七、石英砂過濾器+活性炭過濾器+錳砂過濾器+纖維球過濾器+多介質過濾器各個過濾器處理功能說明:
石英砂過濾器內部填裝精選石英砂等介質。可以去除原水中含有的泥沙、鐵銹、膠體物質、懸浮物等雜質。系統可手動或全自動,定期進行反沖洗、正洗等操作。反沖洗周期的設定根據原水水質的好壞來考慮或根據壓差決定,當壓差0.05-0.1MPa,進行反沖洗。反沖洗強度:12-15L/(m2.s)。
活性炭過濾器:活性炭過濾器是利用多孔性的固體物質(活性炭),使水中或多種物質被吸附在固體表面的微孔中,主要吸附的物質有膠體、微生物、余氯等,同時具有脫色、除味等功能。設備構造和石英砂過濾器相同,活性炭過濾器一般設置在石英砂過濾器或錳砂過濾器之后。原水進炭濾前盡量將大顆粒膠體物除去,防止堵塞炭的細孔,以提高活性炭的吸附效果,一般要求進吸附柱濁度﹤3-5mg/L。
錳砂過濾器:錳砂過濾器,主要是去除地下水水中的鐵元素。鐵超標地下水以Fe2+狀態存在的,所以剛抽上來時,水質清澈干凈,但有鐵腥味。時間稍長,水質即變渾濁。除鐵錳過濾器集合了氧化、離子置換、截留和澄清等過程,根據客戶水質情況作出合理的設計工藝,達到可靠穩定的效果。
水中除鐵除錳必須曝氣,將空氣中的氧氣和二價鐵、二價錳氧化、生成Fe(OH)3,MnO2。根據水中的鐵錳含量高低,選用射流曝氣或空心多面球曝氣。采用一級或多級除鐵錳過濾器過濾,即可滿足處理要求,出水含鐵量0.3mg/L,含錳量0.1mg/L,符合國家生活飲用水標準。
多介質過濾器:多介質過濾器則是一個罐體里面裝有多種介質的過濾器,如:石英砂,無煙煤,活性炭,錳砂等。
纖維球過濾器:纖維球過濾器則是罐體里面裝有丙綸材質的纖維球濾料,可以有效去除懸浮物,油脂顆粒等雜質,大多用于化工,油田等領域。
八、工泉公司介紹:
河北工泉水處理科技有限公司是一家集自主研發設計、生產制造銷售、技術服務于一體的高新技術企業。主要以污水處理、純凈水處理器設備,河水凈化過濾設備,中央空調循環系統水處理設備,固液分離、冷卻水循環利用,水質軟化,屠宰廢水處理等環保設備的制造銷售,環境工程設計,施工安裝及配套設備生產銷售為主。公司擁有一支具備多年環保實踐經驗、理論知識扎實、專業技術豐富的技術團隊。我公司并有強大技術加工能力、專業的全自動焊接生產線、制造和服務為一體,成為了國內著名專業成套裝備環保供應商之一。
工泉公司聘請有北京清華大學高材生五名,環境工程師20名的技術優勢,已做到對產品質量和服務精益求精,與客戶共贏,謀求和諧、持續、快速發展,綠科全體員工熱誠歡迎中外朋友光臨指導、洽談業務!愿與您真誠合作,共謀環境保護的崇高事業。(工泉公司熱線:15200035554,資料來源:www.bzvad.cn)
核心價值觀
以人為本 以質求存; 集體奮斗; 追求卓越。
經營理念
客戶和供應商是我們永遠的合作伙伴。
企業信條
以質量求生存
有科技求發展
Y型自清洗過濾器
Y型手搖式過濾器
L型自清洗過濾器
自清洗過濾器
帶式過濾器
保安過濾器
精密過濾器
無負壓變頻供水設備
GONGQUAN_CHINA 2011-2030 工泉科技 版權所有 All rights reserved
Powered By HEBGONGQUAN.COM 網站備案許可證號:冀ICP備12005038號-3
冀ICP備13014108號-4